home  l  Mail To Webmaster

                          

¢Ï »ó´ã ¹× ¹®ÀÇÀüÈ­


   




          


           

           

           

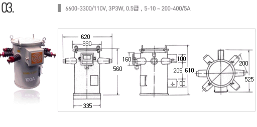
ITEM

22.9§Ç MOF(Single),
SNE-231

22.9§Ç MOF(Double),
SNM-1A

Phase & Wires

3P 4W

3P 4W

Rated Line Primary Voltage

22.9§Ç

22.9§Ç

Phase Primary Voltage

13.2§Ç

13.2§Ç

Rated Line Secondly Voltage

190V

190V

Phase Secondly Voltage

110V

110V

Rated Primary Current

5~400A

5-10/200~400A

Secondly Current

5A

5A

Potential Transformer Secondly Burden

3£ø25VA

3£ø25VA

Current Transformer Secondly Burden

3£ø25VA

5£ø25VA

Accuracy Class

0.5-/0.3

0.5/0.3

Insulation Class

20

20

Over Current Strength

150, 75, 40

40

Polarity

SUBTRACTIVE

SUBTRACTIVE

Frequency

60§Ô

60§Ô

Oil Capacity

75/90/160§¤

90/160§¤

Weight

200/250/350§¸

250/350§¸

       °è±â¿ë º¯¾Ð º¯·ù±â(M.O.F)´Â ÃÖ´ë¼ö¿ä Á¶Àý Àü·Â·®°è(3Á¾°è±â), ÃÖ´ë¼ö¿ä Àü·Â·®°è(DM) ¹×
          ¹«È¿Àü·Â·®°è(VAR.H.M)¿Í Á¶ÇÕ°á¼±ÇÏ¿© »ç¿ëÀü·Â·®À» °è·®ÇÏ´Â ¸ñÀûÀ¸·Î »ç¿ëµÈ´Ù.

      
°è±â¿ë º¯¾Ð º¯·ù±â(M.O.F)´Â »ç¿ëÁß º¯·ù±â(C.T)ÀÇ 2Â÷´ÜÀÚ¸¦ °³¹æÇؼ­´Â ¾ÈµÇ¸ç
          °è±â¸¦ ±³È¯ÇÒ ¶§¿¡´Â ¹Ýµå½Ã º¯·ù±â(C.T)ÀÇ 2Â÷ÃøÀ» ´Ü¶ôÇϰí ÀÛ¾÷ÇØ¾ß ÇÑ´Ù.
          Æ¯È÷ ¿ÜÇÔ ¹× 2Â÷ÀÇ ÇÑ´ÜÀÚ´Â ±ÔÁ¤ÀÇ Á¢Áö¸¦ È®½ÇÈ÷ ÇÏ¿© ÀÌ»óÇö»óÀ¸·ÎºÎÅÍ
          ÇÇÇØ°¡ ¾øµµ·Ï ÇØ¾ß ÇÑ´Ù.

           

           

           

ITEM

66§Ç MOF,
SNE-81

11§Ç MOF,
SNM-11

6.6-3.3§Ç
MOF, SNWA

Phase & Wires

3P 3W

3P 3W

3P 3W

Maximum Voltage

72.5§Ç

11.5§Ç

7.2~3.45§Ç

Rated Primary Voltage

66§Ç

11§Ç

6.6-3.3§Ç

Secondly Voltage

110V

110V

110V

Rated Primary Current

5~300A

5~400A

5-10~200-400A

Secondly Current

5A

5A

5A

Potential Transformer Burden

5£ø25VA

2£ø25VA

2£ø25VA

Current Transformer Burden

2£ø25VA

2£ø25VA

2£ø25VA

Accuracy Class

0.3

0.5/10

0.5

Insulation Class

60

20

6

Over Current Strength

75

40

40

Polarity

SUBTRACTIVE

SUBTRACTIVE

SUBTRACTIVE

Frequency

60§Ô

50/60§Ô

60§Ô

Oil Capacity

1000§¤

90/160§¤

20§¤

Weight

2900§¸

200§¸

80§¸

       °è±â¿ë º¯¼º±âÀÇ ±â´É
      °íÀü¾Ðȸ·ÎÀÇ °èÃø ¹× º¸È£¸¦ ÇÒ °æ¿ì °íÀü¾Ðȸ·ÎÀÇ Àü¾ÐÀ̳ª Àü·ù¸¦ Á÷Á¢ °è±â³ª
      º¸È£ °èÀü±â¿¡ Áý¾î ³ÖÀ¸¸é °è±â³ª º¸È£°èÀü±â¸¦ Ãë±ÞÇÏ´Â µ¥ ¸Å¿ì À§ÇèÇÏ°í ºÒÆíÇÏ´Ù.
      ¶ÇÇÑ °è±â³ª º¸È£°èÀü±âÀÇ ±¸Á¶»óÀ¸·Î º¼ ¶§¿¡µµ ¹«¸®°¡ ÀÖ´Ù.
      ±×·¸±â ¶§¹®¿¡ °íÀü¾Ðȸ·ÎÀÇ Àü¾Ð.Àü·ù¸¦ ±×°Í¿¡ ºñ·ÊÇÏ¿© ÀúÀü¾Ð, ¼ÒÀü·ù·Î º¯È¯ÇÏ¿© °è±â³ª
      º¸È£°èÀü±â¿¡ Àü´ÞÇÏ´Â ÀåÄ¡°¡ ÇÊ¿äÇÏ°Ô µÈ´Ù. ÀÌ·¯ÇÑ ±â´ÉÀ» °¡Áø º¯¾Ð±â³ª
      °è±â¿ëº¯·ù±âµîÀ» ÃÑĪÇÏ¿© °è±â¿ë º¯¼º±â¶ó ÇÑ´Ù.

       °è±â¿ë º¯¼º±â »ç¿ë»óÀÇ ÀÌÁ¡
       1. °è±â³ª º¸È£°èÀü±â°¡ °íÀü¾Ðȸ·Î·ÎºÎÅÍ Àý¿¬µÇ¾î Ãë±Þ»ó ¾ÈÀüÇÏ´Ù.
       2. °è±â¿ë º¯¼º±âÀÇ º¯¼ººñ¸¦ Àû´çÈ÷ ¼±Á¤ÇÔÀ¸·Î½á Ç¥ÁØÀÇ °è±â, º¸È£°èÀü±â·Î °¢Á¾ÀÇ Àü¾Ð,
           Àü·ù°¡ ÃøÁ¤µÇ¾î ȸ·ÎÀÇ º¸È£°¡ °¡´ÉÇÏ´Ù.
       3. ÀúÀü¾Ð, ¼ÒÀü·ù·Î º¯¼ºÇÒ ¼ö°¡ ÀÖ¾î 2Â÷ÃøÀÇ ¹è¼±°ø»ç°¡ °£´ÜÇÏ°í ¹è¼±Àç·áµµ Àý¾àµÇ°í
           ¿ø¹æ°èÃø. ¿ø¹æ°¨½Ã°¡ ¿ëÀÌÇÏ´Ù.
 

 

Untitled

ÁÖ¼Ò : ¼­¿ïƯº°½Ã °ü¾Ç±¸ Á¶¿øµ¿ 541¹øÁö 2Ãþ °¡6È£ | »óÈ£ : ¸íÁøÀü±â
´ëÇ¥ : ¼­»ó´ë | »ç¾÷ÀÚµî·Ï¹øÈ£ : 112-22-72231 E-mail : ssd4133@naver.com